
一、产品[衬胶蝶阀]的详细资料:
产品名称:蜗轮对夹衬胶蝶阀
产品特点:设计与制造:GB12238 结构长度:GB12238 法兰连接尺寸:GB4216 D371X半衬蝶阀

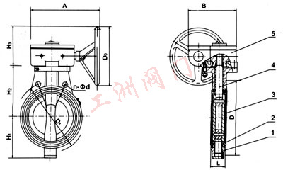
部件列表:1、阀体 2、阀座 3、蝶板 4、阀杆 5、蜗轮装置
二、用途:
|
密封圈材料代号 |
适用温度 |
适用介质 |
|
NR |
≤85℃ |
水、空气、酸碱类 |
|
CR |
≤85℃ |
水、煤气、酸碱类 |
|
NBR |
≤100℃ |
水、油品 |
|
EPDM |
≤120℃ |
水、蒸汽、一般酸碱类 |
|
FKM |
≤150℃ |
水、蒸汽、强酸碱类 |
三、材料:
|
阀体 |
铸铁、球墨铸铁、碳钢、不锈钢 |
|
蝶板 |
铸铁、球墨铸铁、碳钢、不锈钢、碳钢完全包覆橡胶或氟塑料 |
|
阀杆 |
碳钢镀镍磷、不锈钢 |
|
阀座密封圈 |
天然胶NR、氯丁胶CR、丁腈胶NBR、三元乙丙胶EPDM、氟橡胶FKM |
|
蜗轮装置 |
组合件 |
压力等级:PN(MPa) 1.0 1.6
四、测试:
衬里层:电火花检测
试验与检验按GB/T13927标准
公称压力:PN(MPa)
阀体:PN×1.5
密封:PN×1.1
五、工洲牌D371X半衬对夹式衬胶蝶阀主要尺寸参数:
|
公称通径DN |
公称压力MPa |
工作压力MPa |
L mm |
D mm |
D1 mm |
n-Φd mm |
H1 mm |
H2 mm |
Do mm |
H3 mm |
A mm |
B mm |
质量 Kg/kilos |
|
40 |
1.0 |
1.0 |
33 |
150 |
110 |
4-18 |
55 |
100 |
150 |
62 |
164 |
125 |
6 |
|
50 |
43 |
165 |
125 |
4-18 |
64 |
120 |
150 |
62 |
164 |
125 |
7 |
|
65 |
46 |
185 |
145 |
4-18 |
80 |
120 |
208 |
62 |
164 |
125 |
10 |
|
80 |
46 |
200 |
160 |
8-18 |
112 |
130 |
260 |
62 |
164 |
125 |
11 |
|
100 |
52 |
220 |
180 |
8-18 |
90 |
140 |
275 |
62 |
164 |
125 |
12 |
|
125 |
56 |
250 |
210 |
8-18 |
112 |
160 |
350 |
106 |
289 |
200 |
18 |
|
150 |
56 |
285 |
240 |
8-22 |
135 |
175 |
350 |
106 |
289 |
200 |
29 |
|
200 |
60 |
340 |
295 |
8-22 |
160 |
210 |
240 |
106 |
289 |
200 |
34.5 |
|
250 |
0.6 |
68 |
395 |
350 |
12-22 |
206 |
235 |
240 |
106 |
289 |
200 |
44 |
|
300 |
78 |
445 |
400 |
12-22 |
232 |
273 |
320 |
112 |
370 |
253 |
64.5 |
|
350 |
78 |
505 |
450 |
16-22 |
263 |
310 |
320 |
112 |
370 |
253 |
75.5 |
|
400 |
102 |
565 |
515 |
16-26 |
295 |
340 |
400 |
270 |
562 |
280 |
156 |
|
450 |
114 |
615 |
565 |
20-26 |
327 |
370 |
400 |
270 |
562 |
280 |
171.5 |
|
500 |
127 |
670 |
620 |
20-26 |
358 |
399 |
400 |
270 |
562 |
280 |
206.5 |
|
550 |
0.4 |
140 |
730 |
675 |
20-30 |
384 |
430 |
400 |
270 |
562 |
280 |
215 |
|
600 |
154 |
780 |
725 |
20-30 |
474 |
460 |
500 |
270 |
562 |
280 |
283 |
|
700 |
165 |
895 |
840 |
24-30 |
486 |
510 |
500 |
125 |
503 |
443 |
426 |
|
800 |
190 |
1015 |
950 |
24-33 |
591 |
672 |
500 |
200 |
513 |
531 |
550 |
|
900 |
203 |
1115 |
1050 |
28-33 |
|
500 |
200 |
513 |
531 |
1070 |
|
1000 |
216 |
1230 |
1160 |
28-36 |
721 |
800 |
550 |
273 |
713 |
815 |
1296 |
◇◇◇◇◇◇为什么选择工洲阀门? ——引进台湾先进加工检验技术◇为高品质产品提供保证
服务体系:
◇、免费保修一年,终身维护。◇、支持老客户可货到付款 ◇、支持阿里巴巴、淘宝网担保交易
质量体系:
在阀门行业技术含量并不是很高的情况下,选材跟检验是保证质量的重中之重,故我公司从以下两方面进行把关。
◇、我公司设采购部同时,多设采购质检部来保证采购物品达到国家及国际标准。
◇、按照台湾先进的检验理念和台湾的精湛的检验工艺、经多次检验无问题才准许交付客户使用。
运营体系:
◇、高效内部成本控制,减少了开支,让利于客户 ◇、充足的备货,缩短了交货期
〖〖我公司是阿里巴巴诚信通老会员,欢迎访问我公司阿里巴巴网站http://lfyallf.cn.alibaba.com/〗〗
订货须知:
一、①D371X半衬对夹式衬胶蝶阀产品名称与型号②D371X半衬对夹式衬胶蝶阀口径③D371X半衬对夹式衬胶蝶阀是否带附件以便我们的为您正确选型。
二、若已经由设计单位选定工洲公司的D371X半衬对夹式衬胶蝶阀型号,请按D371X半衬对夹式衬胶蝶阀型号直接向我司销售部订购。
三、当使用的场合非常重要或环境比较复杂时,请您尽量提供设计图纸和详细参数,由我们的工洲阀门专家为您审核把关。
感谢您访问我们的网站【http://www.gggzzz.com】,如有任何疑问.您可以致电给我们,我们一定会尽心尽力为您提供优质的服务。
相关产品:
蜗轮衬氟蝶阀
弹性座封软密封闸阀
隔膜阀
衬里截止阀
J44J型内衬角式截止阀
衬胶直流式截止阀
衬里立式止回阀
塑料蝶阀
D71J全衬蝶阀
H40F新型衬里止回阀